INC VAT
EX VAT
Slotting cutters for ‌slot milling F4053.BN40.160.Z08.04RSlotting cutters for ‌slot milling F4053.BN40.160.Z08.04R

Slotting cutters for ‌slot milling F4053.BN40.160.Z08.04R

1,852.00
EX VAT
2,277.96
INC VAT
Walter
Slotting cutters for ‌slot milling F4053.BN40.160.Z08.04R
P
H
M
S
K
N
O
= First choice
= Second choice
PRODUCT ATTRIBUTES
Tool designation (Designation) F4053.BN40.160.Z08.04R
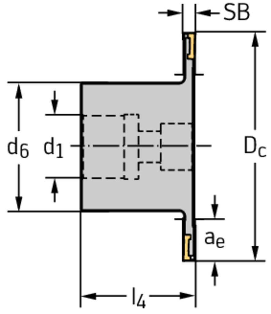
Cutting edge diameter (D c) 160 mm
Connection diameter (d 1) 40 mm
Hub diameter (d 6) 75 mm
Functional length (l 4) 50 mm
Max. depth of cut (SB) 4 mm
Maximum depth of cut (a e) 40 mm
Number of teeth (Z) 8
weight of item 1,6 kg
Number of indexable inserts (No. of indexable inserts) 16
Insert Shape F4
DESCRIPTION & FEATURES
Slotting cutters for ‌slot milling F4053 • Parallel bore DIN 138 transverse keyway • metric • Dc=160mm • SB=4mm
Article number (J21):
F4053.BN40.160.Z08.04R
Company code (J3):
W
Standard number of properties layout (NSM):
DIN4000-88
Tool style code (BLD):
5
Cutting diameter (A1):
160 mm
Hub diameter (A4):
75 mm
Cutting width minimum (B11):
4 mm
Cutting width maximum (B12):
4 mm
Cutting depth maximum (B2):
40 mm
Overall length (B5):
50 mm
Connection code type machine side (C11):
FDA
Connection code form at machine side (C12):
12
Connection code unit base machine side (C14):
0
Connection code style machine side (C15):
0
Connection size code machine side (C2):
0400
Connection diameter machine side (C3):
40 mm
Adjustment property (D4):
0
Rotational speed maximum (D6):
15000 1/min
Weight of item (D7):
1,58 kg
Cutting direction (F1):
Right
Peripheral effective cutting edge count (F21):
8
Face effective cutting edge count (F22):
8
Face mounted insert count (G13):
16
Coolant entry style code (H21):
0
Coolant exit style code (H22):
0
Body material code (H4):
S
Data chip provision (J7):
0